Bild_2024-10-31_184501338
oerttel.net

Modellbahn-Elektrotechnik

Werkstatt-Praxis

Hand­werk­li­ches Geschick gehört auch bei der Elek­tronik­bas­te­lei dazu, aber das kann man bei Modell­bah­nern ja voraus­set­zen. Hier und auf den verlink­ten Seiten gibt es ein paar spezi­fi­sche Tipps.

Bild_2024-11-06_004451426
Modell­bahn­sys­teme
Ener­gie­ver­sor­gung
Bild_2024-10-30_010756638
Fahr­span­nung
Bild_2024-10-31_002317188
Fahrbetrieb 
Icon Beleuchtung
Beleuch­tung
Bild_2024-10-31_022748054
Signal­bil­der

Wenn Sie Schal­tun­gen, die Sie in Fach­zeit­schrif­ten oder Büchern gefun­den und erfolg­reich nach­ge­baut haben, kommen Sie sicher auf den Geschmack, eigene Schal­tun­gen zu entwi­ckeln, zumin­dest aber vorge­ge­bene Schal­tun­gen abzu­wan­deln. Das soll ja auch der Sinn dieser Seiten sein, ihnen das Rüst­zeug für solcher­lei Vorha­ben zu vermitteln.

Das Steckbrett

Steck­bret­ter (Video oben rechts) sind plati­ne­n­ähn­li­che Plas­tik­klötze, in denen sich Feder­blech­strei­fen verber­gen, die die Löcher elek­trisch mitein­an­der verbin­den und einge­steckte Bauteile fest halten. Damit können Sie eine Schal­tung provi­so­risch aufbauen und jeder­zeit ohne Aufwand modi­fi­zie­ren, bis sie Ihren Vorstel­lun­gen entspricht.

Elektronik-Experimentierkästen

Ganz exklu­siv und damit auch stär­ker an der Hobby­kasse nagend sind Elek­tro­nik-Expe­ri­men­tier­käs­ten, zum Beispiel von Kosmos oder Busch. Ihnen gemein­sam ist, dass sie eine Anzahl an Elek­tro­nik-Bautei­len enthal­ten, die auf spezi­elle Steck­teile montiert sind und sich über­sicht­lich zu Schal­tun­gen kombi­nie­ren und verbin­den lassen.

Neben dem güns­ti­gen Preis spricht für das Steck­brett, dass eine funk­tio­nie­rende Schal­tung meist 1:1 auf eine Platine über­nom­men werden kann, mit den getes­te­ten Bautei­len und im nahezu selben Layout.

Expe­ri­men­tier­board von Busch
Bei den Expe­ri­men­tier­käs­ten sind manche Bauteile auf spezi­elle Halte­run­gen montiert.
Expe­ri­men­tier­board von Kosmos
Bild_2024-10-30_145952820
Selbst­bau-Expe­ri­men­tier­pla­tine

Neben dem güns­ti­gen Preis spricht für das Steck­brett, dass eine funk­tio­nie­rende Schal­tung meist 1:1 auf eine Platine über­no­men werden kann, mit den getes­te­ten Bautei­len und im nahezu selben Layout.

Alle Bilder auf dieser Seite zeigen iden­ti­sche Blink­schal­tun­gen mit einem Tran­sis­tor-Oszil­la­tor.

Blink­schal­tung auf dem Steck­brett getestet …
… und in den Plati­nen­ent­wurf übertragen.

Um sich den elek­tri­schen und elek­tro­ni­schen Aspek­ten der Modell­bah­nerei zu widmen, ist nicht beson­ders viel zusätz­li­ches Werk­zeug erfor­der­lich. Das meiste, was für elek­tri­sche Baste­leien benö­tigt wird, haben Modell­bah­ner eh in der Werk­zeug­kiste: Pinzet­ten, Vor- und Seiten­schnei­der, Flach­zan­gen, Schrau­ben­dre­her, scharfe Messer und Feilen. Ergän­zend dazu benö­ti­gen Sie auf jeden Fall einen Lötkol­ben. Abiso­lier­zan­gen werden immer wieder als wich­ti­ges Zube­hör genannt, aber in unse­rem Bereich nützen sie nur wenig, weil wir es über­wie­gend mit sehr dünnen Litzen zu tun haben, die sich am schon­ends­ten mit dem ange­feil­ten Daumen­na­gel entman­teln lassen.

Eine beson­dere Inves­ti­tion ist das Viel­fach-Mess­ge­rät, im Fach­jar­gon Multi­me­ter gehei­ßen. Viele Modell­bah­ner halten es für entbehr­li­chen Luxus, doch dem ist nicht so. Es ist ein sehr nütz­li­ches und viel­fäl­tig einzu­set­zen­des Hilfs­mit­tel, das Sie nach eini­ger Zeit des Einsat­zes nicht mehr missen möch­ten. Es gibt Multi­me­ter in verschie­de­nen Ausfüh­run­gen und Preis­klas­sen, Sie soll­ten sich auf jeden Fall eines mit digi­ta­ler Anzeige gönnen. Gerade Laien unter­lau­fen bei den Dreh­spul­in­stru­men­ten mit den vielen neben­ein­an­der liegen­den Skalen gern Able­se­feh­ler spezi­ell bei der Frage der Dimen­sion, die bei der Ziffern­an­zeige vermie­den werden.

Die Grund­be­dürf­nisse der Mess­tech­nik erfül­len bereits billige Geräte, teurere weisen einige Zusatz­fea­tures wie Tran­sis­tor- oder Konden­sa­tor­tes­ter auf, die recht nütz­lich bei der Bestim­mung obsku­rer Bauteile sein können.

Häufig unbe­ach­tet, aber sehr wich­tig sind die mitge­lie­fer­ten Prüf­strip­pen. Eine rote und eine schwarze mit Mess­spit­zen gehö­ren grund­sätz­lich dazu, doch sehr oft fehlt die dritte Hand, wenn die beiden vorhan­de­nen schon die Prüf­spit­zen an die Mess­stel­len halten, aber noch irgend­et­was verän­dert werden muss. Deshalb ist unbe­dingt zu weite­ren Prüf­lei­tun­gen mit isolier­ten Kroko­dil­klem­men an den Enden zu raten. Notfalls tun es auch aufsteck­bare Klem­men, doch die Bies­ter verschwin­den erfah­rungs­ge­mäß immer dann, wenn man sie drin­gend benö­tigt. Prüf­strip­pen mit fest instal­lier­ten Klem­men sind leich­ter wieder­zu­fin­den.
Apro­pos Kroko­dil­klem­men: Dieses archa­isch anmu­tende Zube­hör ist auch aus der moder­nen Elek­tri­ker- und Elek­tro­ni­ker­werk­statt nicht wegzu­den­ken. Eine Hand­voll unter­schied­lich gefärb­ter Kabel mit Klem­men an den Enden ist bei jeder Art von Expe­ri­ment oder Fehler­su­che ein unver­zicht­ba­res Hilfs­mit­tel, um mal eben eine provi­so­ri­sche Verbin­dung herzustellen.

Bild_2025-01-11_161403092

Richtig löten

Zum Löten verwen­den Sie bitte einen klei­nen Lötkol­ben mit schma­ler Spitze und 10 bis 12 W Leis­tung. Das reicht völlig. Das dicke Gerät, mit dem Sie sonst Ihre Messing­bau­sätze zusam­men­brin­gen, hat in der Elek­tro­nik nichts verloren.

Nicht nur Halb­lei­ter sind hitze­emp­find­lich, auch die nur 35 µm star­ken Kupfer­bah­nen lassen sich mit unge­eig­ne­tem Gerät mühe­los von der Perti­nax­platte ablö­sen. Fach­leute spre­chen in solchem Fall vom Platinenbraten.

Das richtige Lot

Als Lot kommt nur dünner Lötdraht (0,5 mm Ø) mit einge­ar­bei­te­tem Fluss­mit­tel zum Einsatz, kein Lötwas­ser, keine Säure, kein Kolo­pho­nium! All diese Zusätze bewir­ken nur eines: erhöhte Stör­an­fäl­lig­keit Ihrer Schaltung.

Kupfer­bahn und Anschluss­draht werden durch inni­gen, aber kurzen Kontakt mit der Lötkol­ben­spitze erwärmt, dann kurz den Lötdraht von der ande­ren Seite gegen den Draht halten. Ist der Draht heiß genug, schmilzt das Lot, ein Rauch­wölk­chen steigt auf, Kolben und Lötdraht weg, warten – fertig.

Eine gute Lötstelle erken­nen Sie daran, dass das Lot um den Draht einen schö­nen, koni­schen, glän­zen­den Kegel bildet. Konvexe Lötstel­len, gar Trop­fen­form oder matte Ober­flä­che lassen darauf schlie­ßen, dass mit der Lötstelle etwas nicht in Ordnung ist – Fehl­funk­tion der Schal­tung vorprogrammiert.

Die über­ste­hen­den Drah­ten­den werden erst nach dem Einlö­ten abge­schnit­ten. Bei Halb­lei­tern bieten sie eine zusätz­li­che Möglich­keit der Wärmeabfuhr.

Freischwebende Verbindungen

Wenn Sie Kabel ohne Stütz­punkte anein­an­der löten, müssen Sie verhin­dern, dass sich die beweg­li­chen Lötstel­len berüh­ren und Schlüsse verur­sa­chen. Am besten tref­fen Sie dage­gen doppelte Sicherheitsmaßnahmen:

  • Sorgen Sie für Versatz der Lötstellen!
  • Isolie­ren Sie die Lötstel­len anschlie­ßend mit Klebe­band oder Schrumpfschlauch.

Lötstellen wieder lösen

Um verlö­tete Teile zu tren­nen, muss die Lötstelle wieder erwärmt werden. Im einfachs­ten Fall lassen sich die Teile dann wieder ausein­an­der ziehen. Muss dazu erst das Lötzinn entfernt werden, weil zum Beispiel verdrillte Litzen verlö­tet wurden, weil mehrere Anschlüsse eines Bauteils zu lösen sind oder der Draht vor dem Anlö­ten in einer Öse umge­bo­gen wurde, müssen Entlöt­hil­fen her.

Am einfachs­ten ist die Entlöt­litze, eine flach gefloch­tene, mit Fluss­mit­tel getränkte Litze, die beim Erwär­men flüs­si­ges Zinn von der Lötstelle absaugt.

Das prak­ti­sche Wissen über die für die Modell­bahn-Elek­tro­nik wich­tigs­ten Bauteile finden Sie in den per Klick auf die Icons erreich­ba­ren Seiten. 

Bild_2025-10-12_222123100
Wider­stände
Bild_2025-10-14_005842495
Konden­sa­to­ren
Bild_2025-10-14_010408537
Dioden
Bild_2025-10-14_010112862
Tran­sis­to­ren
Schalter120px
Schal­ter und Relais

Freier Aufbau, Klemm- und Lötleisten

Die einfachste Form der Schal­tungs­rea­li­sie­rung ist der „Igel“. Hier­bei werden alle Bauteile einfach mit ihren Anschlüs­sen direkt anein­an­der gelö­tet, ein paar bunte Kabel ragen heraus, um die Schal­tung anzu­schlie­ßen – fertig. Dass so etwas nicht unbe­dingt profes­sio­nell aussieht und auch nur für kleinste Schal­tun­gen reali­sier­bar ist, braucht wohl nicht noch erläu­tert zu werden.

Beim Einbau einer Schal­tung im Roll­ma­te­rial unter den dort übli­chen Platz­pro­ble­men bietet der Igel häufig einen Ausweg. Dann wird eben ein Tran­sis­tor kopf­über ins Klo gesteckt und ein dicker Konden­sa­tor unters Waggondach geklebt.

Flie­gen­der Igel-Aufbau

Achten Sie bei diesem »flie­gen­den« Aufbau unbe­dingt auf die Anschluss­bein­chen der Tran­sis­to­ren. Sie verbie­gen sich leich­ter als jene der ande­ren Bauteile. Wenn Sie dann noch irgendwo hinein gezwängt werden, ist ein Kurz­schluss nahe! Schüt­zen Sie uniso­lierte weiche Drähte mit Isolier­band oder Alleskleber!

Sehr beliebt bei Modell­bah­nern sind Klemm- und Lötleis­ten. Sie haben den Vorteil, dass sie Platz bieten und man nach­träg­lich ohne beson­de­ren Aufwand und ohne beson­dere Vorsicht immer wieder etwas ändern kann.

Nichts dage­gen einzu­wen­den! Aber bitte nur, wenn es sich um mini­male Schal­tun­gen handelt. Für alle komple­xe­ren Schal­tun­gen soll­ten Sie sich doch lieber einen semi­pro­fes­sio­nel­len Aufbau auf einer Platine gönnen.

Bild_2025-01-11_161543549

Platinen verwenden

Einer der häufigs­ten Gründe für den Verzicht auf Elek­tro­nik-Einsatz im Modell­bahn-Bereich ist das Argu­ment, dass das Ätzen von Plati­nen nicht nur kompli­ziert und fehler­be­haf­tet, sondern auch umwelt­schäd­lich sei. Die Begrün­dung an sich stimmt, doch es mangelt an der Conclu­sio, wie es der Jurist ausdrü­cken würde. Elek­tro­ni­sche Schal­tun­gen bedin­gen nicht per se das Ätzen von Plati­nen. Die Aufbau­skiz­zen in diesem Heft zeigen, dass sich auch komplexe Schal­tun­gen auf Stan­dard­pla­ti­nen reali­sie­ren lassen.

Ein biss­chen Über­le­gung ist natür­lich dafür notwen­dig, aber das Erstel­len eines zu ätzen­den Plati­nen­lay­outs bedarf eines noch viel höhe­ren Aufwands.

Plati­nen­ent­würfe für die gängi­gen Kipp­schal­tun­gen mit Größenvergleichen

Sobald Tran­si­to­ren und IC ins Spiel kommen, führt kein Weg an der Platine vorbei. Dazu bedarf es entge­gen land­läu­fi­ger Vermu­tun­gen keiner aufwen­di­gen Entwurfs und Ätzar­bei­ten. Stan­dard-Schal­tun­gen für die Modell­bahn lassen sich gut auf Stan­dard-Indus­trie­pla­ti­nen realisieren.

Wenn Sie sich entschlos­sen haben, eine Schal­tung auf einer Stan­dard­pla­tine aufzu­bauen, gehen Sie geplant vor! Entwer­fen Sie die Anord­nung und Verbin­dun­gen der Bauteile auf einem Raster­blatt. Die übli­chen Stan­dard­pla­ti­nen sind in der verlink­ten PDF-Datei zu finden, die Sie ausdru­cken können.

Tipp: Sehen Sie auf der Platine auch Kontrollleuchten in Form von Miniatur-Leuchtdioden vor! Sie erleichtern die Fehlersuche.

Die Wahl der richtigen Platine ist wichtig für die Form und Größe der aufgebauten Schaltung.

Die vom Handel angebotenen Platinen erfüllen durchgängig eine Norm: Ihre Bohrungen sind jeweils 2,54 mm (") voneinander entfernt. Das ist das so genannte Rastermaß, dem auch nahezu alle stehenden Bauteile entsprechen. Ihre Anschlüsse sind exakt in diesem Abstand oder einem Vielfachen davon angeordnet. Nur einige großformatige Elkos, Trafos und Relais sowie einige andere seltene Ausnahmen, die aber für uns nicht von Interesse sind, entsprechen nicht dieser Norm. Auch der Abstand der Beinchen von IC beträgt 2,54 mm. Mit Industrieplatinen können Sie also sicher sein, Ihre Bauteile sauber platzieren zu können, was die Planungsarbeit energisch vereinfacht.

Erste Frage ist natür­lich, welche der verschie­de­nen Arten von Indus­trie­pla­ti­nen denn zum Einsatz kommt. Nach meiner persön­li­chen Erfah­rung hat sich die so genannte IC-Expe­ri­men­tier­pla­tine in ihren verschie­de­nen Ausfüh­run­gen eigent­lich am besten bewährt.

Gängig sind die beiden abge­bil­de­ten Typen, bei der rech­ten ist eine höhere Packungs­dichte möglich, wenn reich­lich Peri­phe­rie­bau­teile zum Einsatz kommen.

Häufig ist die rechte Vari­ante auch zum Aufbau komple­xer diskre­ter Schal­tun­gen gut geeignet.

Andere Erwä­gun­gen kommen zum Tragen, wenn zwischen durch­ge­hen­den oder in Drei­er­blö­cken unter­bro­che­nen Leiter­bah­nen zu entschei­den ist.

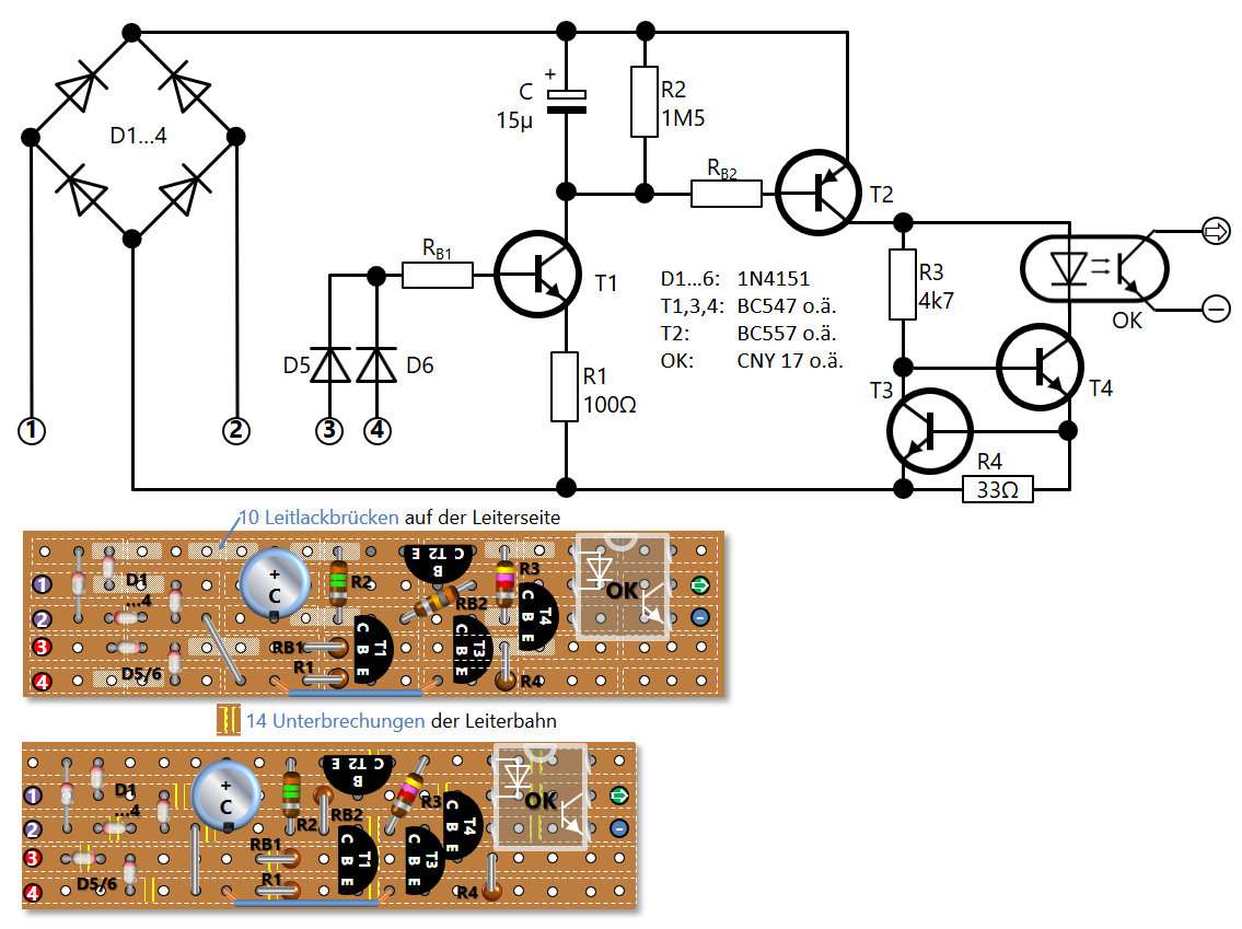
Durch­ge­hende Leiter­bah­nen müssen aufge­trennt werden, um eini­ger­ma­ßen dicht ausge­nutzt zu werden. Bei den Drei­loch­blö­cken sind Leit­lack­brü­cken erfor­der­lich. Welche Form güns­ti­ger ist, lässt sich nur anhand des Aufbau­ent­wurfs beur­tei­len. Rein platz­mä­ßig kann die durch­ge­hende Vari­ante gering­fü­gig klei­ner ausfal­len, wie das neben­ste­hende Beispiel zeigt.

Platine planen

Als erste müssen inte­grierte Schal­tun­gen und Plati­nen­re­lais einge­plant werden, denn an ihnen müssen sich die diskre­ten Bauteile orien­tie­ren. Danach bauen Sie die einzel­nen Berei­che des Schalt­plans rund um die IC auf, am besten haken jedes in den Bestü­ckungs­plan endgül­tig aufge­nom­mene Bauteil im Schalt­plan ab.

Verbin­dun­gen zwischen zwei Leiter­bah­nen können auf zwei Arten erfol­gen: Liegen die beiden Kupfer­flä­chen unmit­tel­bar neben­ein­an­der, reicht meist etwas Leit­lack, der auf der Unter­seite aufge­tra­gen wird. Aller­dings ist Leit­lack nur für geringe Strom­stär­ken zu gebrau­chen, weshalb bei höhe­rem Bedarf an Leis­tung – zum Beispiel am Emit­ter und Kollek­tor eines Leis­tungs­tran­sis­tors – Draht­brü­cken aus 0,5 mm (Neu-)Silberdraht zum Einsatz kommen.

Um aufge­roll­ten Draht zum „Brücken­bau“ schön gerade zu bekom­men, schnei­den Sie ein länge­res Stück ab, klem­men ein Ende in den Schraub­stock, grei­fen das andere Ende mit der Flach­zange und ziehen mit einem kräf­ti­gen Ruck.
Draht­brü­cken können schon mal um die Ecke laufen. Aller­dings ist in diesen Fällen beson­ders darauf zu achten, dass sie nicht mit den Anschlüs­sen ande­rer Bauteile in Berüh­rung kommt. Verwen­den Sie in solchen Fällen isolierte Draht­brü­cken (»Klin­gel­draht«, keine Litze, die lässt sich nicht gut verle­gen).
Alle exter­nen Anschluss­stel­len sollen am Plati­nen­rand liegen, das erleich­tert die Verbin­dung mit der Außenwelt.

Verwen­den Sie Steck­ver­bin­der­rei­hen, müssen die Anschlüsse natür­lich nebenein­ander liegen. Das lässt sich nicht immer leicht verwirk­li­chen. Führen Sie ggf. die Anschlüs­se mit Draht­ver­bin­dun­gen zu einer zusätz­li­che Kontakt­reihe am Rand der Platine.

Eben­falls leicht zugäng­lich müssen Trimm­po­tis sein. Die stehen­den Ausfüh­run­gen gehö­ren an den Rand der Platine. Lässt sich ein Poti nicht ohne hohen Verdrah­tungs­auf­wand am Rand plat­zie­ren, müssen Sie die liegende Ausfüh­rung nehmen, die jedoch mehr Platz einnimmt.

Elkos sind bei größe­ren Kapa­zi­tä­ten platz­grei­fend. Unter­brin­gungs­pro­bleme lassen sich leich­ter lösen, wenn man große Elkos außer­halb der Platine unterbringt.

Wenn Sie auf dem Papier alles unter­ge­bracht haben, lassen Sie den Entwurf mindes­tens 24 Stun­den liegen und kontrol­lie­ren ihn dann noch einmal. Erst danach machen Sie sich daran, die Platine zu bestücken.

Platine bestücken

Die rich­tige Abfolge der Bestü­ckung ist wich­tig für das sichere Arbei­ten und den Erfolg.

Ist Ihr Aufbau­plan fertig­ge­stellt, muss zuerst die Platine passend zuge­schnit­ten werden. Dafür reicht eine sehr fein gezahnte Säge.

Da die Kupfer­bah­nen sehr empfind­lich sind, schnei­den Sie immer von der Leiter­bahn­seite her, um sie beim Sägen nicht abzu­rei­ßen. Empfeh­lens­wert ist auch, nicht zwischen zwei benach­bar­ten Kupfer­bah­nen zu schnei­den, sondern die erste nicht mehr benö­tigte Loch­reihe entlang.

Zum Bestü­cken von Plati­nen gibt es spezi­elle Rahmen, die bei größe­ren Plati­nen durch­aus ange­bracht sind. Sie sparen sich eine Menge Arbeit, wenn Sie ratio­nell erst alle Bauteile einer Art von oben bestü­cken, dann die Bauteile mit der Andruck­platte sichern und den komplet­ten Rahmen zum Löten umdre­hen. Bei klei­ne­ren Schal­tun­gen geht es aber auch schon mal ohne solches Spezialzubehör.

Gehen Sie beim Bestü­cken nach der Devise „von flach nach groß“ vor.

Zuerst kommen die Draht­brü­cken dran. Damit die auch wirk­lich möglichst flach auflie­gen, biegen Sie sie nicht aus der freien Hand, sondern mit Flach­zange und Biege­lehre, die saubere Draht­bie­gun­gen korrekt im Raster­maß gestat­tet. Sind alle Draht­brü­cken gesteckt, sichern Sie sie gegen Heraus­fal­len und drehen die Platine um.

Sichern Sie die durch die Platine gesteck­ten Anschluss­drähte nicht durch schrä­ges Abbie­gen der Drähte! Zwar schützt so etwas gegen das Heraus­rut­schen, aber wenn Sie einen so einge­lö­te­ten Draht wieder heraus­lö­ten möch­ten, ist er auch dage­gen geschützt! Die Drähte und auch später die Anschluss­drähte der Bauteile sollen immer senk­recht aus der Unter­seite der Platine herausragen.

Haben Sie alle Draht­brü­cken einge­lö­tet, sind die Wider­stände dran. Zwar sind Klein­leis­tungs­di­oden noch klei­ner, aber als hitze­emp­find­li­che Halb­lei­ter werden sie erst mal zurück­ge­stellt. Sie kommen im nächs­ten Arbeits­gang dran, dann müssen sie die Hitze vom Löten der Wider­stände nicht mehr ertragen.

Nach den Dioden geht es an die liegen­den Konden­sa­to­ren, dann an die IC.

IC-Fassungen verwenden!

Tun Sie sich den Gefal­len und löten Sie inte­grierte Schal­tun­gen nicht direkt in die Platine. Sie sind der fehler­an­fäl­ligste Teil einer Schal­tung, lassen sich aber wegen der vielen Anschluss­bein­chen am schlech­tes­ten wieder auslö­ten. Außer­dem schüt­zen Sie die IC vor Löthitze, wenn Sie sie erst nach dem Löten in die Fassung stecken.

Nun kommen die stehen­den und größe­ren Konden­sa­to­ren an die Reihe, dann Potis und externe Anschlüsse.

Ganz zum Schluss löten Sie die Tran­sis­to­ren und sons­ti­gen Halb­lei­ter ein. Verbes­ser­ten Hitze­schutz erzie­len Sie, wenn Sie sie nicht ganz bis zur Platine durch­ste­cken, sondern etwas Abstand halten. In ganz ekla­tan­ten Fällen kann eine Klemm­pinzette oder Kroko­dil­klemme als Wärme­ab­lei­ter dazwi­schen geklemmt werden.

Die Leit­lack­ver­bin­dun­gen auf der Unter­seite malen Sie mit einem feinen Pinsel erst auf, wenn alles andere fertig ist. Ande­ren­falls würden Sie beim Löten den Lack wieder abbrennen.

Dann endlich werden die IC-Chips in ihre Fassun­gen gesteckt. Das Einste­cken inte­grierte Bausteine in die zuge­hö­ri­gen Fassun­gen ist manch­mal nicht so ganz einfach, weil die Anschluss­bein­chen zu weit gespreizt sind. In diesen Fällen biegen Sie sie nach innen, indem Sie den Chip seit­lich auf eine glatte Fläche legen und den gesam­ten Block gleich­mä­ßig in Rich­tung der Anschlüsse abrollen.

Und ganz am Schluss steht noch einmal der Vergleich der ferti­gen Platine mit dem Bestü­ckungs­plan, erst dann wird die Strom­ver­sor­gung angeschlossen!

Relais auf der Platine?

Es gibt Relais im DIL-kompa­ti­blen Gehäuse, die exakt in die IC-Reihen von Stan­dard­pla­ti­nen passen. Die meis­ten von ihnen sind 1xUM oder 2xUM und da auch die Belast­bar­keit der Schalt­kon­takte den bei der Modell­bahn auftre­ten­den Leis­tun­gen locker stand­hält, steht ihrem Einsatz für unsere Zwecke nichts entgegen.

Magnet­spu­len direkt auf der Platine! Hier müssen Sie beson­ders vorsich­tig sein, um Schä­den an den Halb­lei­tern durch Induk­tion zu vermei­den! Dafür gibt es zwei Grundregeln:

  • Brin­gen Sie Relais möglichst weit weg von stör­an­fäl­li­gen Halb­lei­tern wie IC unter.
  • Fangen Sie Induk­ti­ons­span­nun­gen gleich dort ab, wo sie entste­hen, also unmit­tel­bar an der Spule. Dazu hat sich der Trick bewährt, die Lösch­di­oden auf der Leiter­bahn-Seite der Platine zwischen die Spulen­an­schlüsse zu löten.
Dass bei dieser Platine der IC direkt am Relais sitzt,
ist kein Kunst­feh­ler; der 555er kann das ab,
wenn das Relais entstört ist.

Platz­man­gel ist für Modell­bah­ner ein stän­di­ger Beglei­ter, wenn es um Elek­tro­nik im Roll­ma­te­rial geht. Viel­fach werden SMD-Bausteine (Surface Moun­ted Device – auf der Ober­flä­che montier­tes Bauteil) als Wunder­mit­tel bei Platz­man­gel auch für die Hobby-Elek­tro­nik gepriesen. 

Das Durch­boh­ren von Plati­nen und das Durch­ste­cken der Anschluss­drähte berei­ten für Robo­ter logis­ti­sche Probleme, und nur auf Robo­ter­band­stra­ßen lassen sich Indus­trie­mo­dule heute noch wirt­schaft­lich und konkur­renz­fä­hig herstel­len. Beiden Hemm­schu­hen begeg­nete man mit SMD: Leiter­bahn­seite ist gleich Bestü­ckungs­seite! Damit lassen sich (vom Robo­ter) die Bauteile leich­ter plat­zie­ren und fest­lö­ten und die Rück­seite lässt sich auch noch zur Unter­brin­gung weite­rer Schal­tungs­ele­mente verwen­den. Das etwas kompli­zier­tere Plati­nen-Layout lässt sich durch geeig­nete Soft­ware ebenso leicht gestal­ten wie für herkömm­li­che Platinen.

Für den Modell­bau lassen sich diese Minis auch gut einset­zen, wenn man sie rich­tig behan­delt. Die Bauteile sind nicht nur extrem klei­ner als jene für den klas­si­schen Aufbau, auch ihre Formen unter­schei­den sich davon. Die nach­ste­hende Grafik zeigt ein paar Beispiele, doch muss dazu ange­merkt werden, dass Konden­sa­to­ren und Dioden immer öfter auch die Form der Wider­stände haben können.

Eine Beson­der­heit der SMD-Tech­nik stellt der Null-Ohm-Wider­stand (Bild rechts) dar. Er ist das SMD-Pendant zur Draht­brü­cke, mit der zwei Leiter­bah­nen verbun­den werden. Da SMD-Plati­nen die Leiter­bah­nen auf der Bestü­ckungs­seite oder beid­sei­tig haben, ist dies die einzige Methode, eine Bahn zu überbrücken.

Null-Ohm-Brücke und SMD-LED

SMD-Bauteile werden stän­dig weiter­ent­wi­ckelt, beson­ders was die Größen­re­du­zie­rung betrifft. Für den Modell­bau kommen eher die größe­ren Typen in Betracht, weil die klei­ne­ren (aktu­el­les Mindest­maß für Wider­stände 0,3×0,15 mm) nicht mehr manu­ell zu hand­ha­ben sind. Da auf den Winz­lin­gen normale Beschrif­tun­gen oder Farb­codes kaum anzu­brin­gen sind, hat man sich dafür beson­dere Codie­run­gen ausge­dacht. Die Vari­an­ten sind sehr umfang­reich, deshalb sei hier auf die einschlä­gi­gen Quel­len der Spezia­lis­ten für SMD verwiesen:

https://www.segor.de/INFO/wissenswertes/141-smd-widerstands-code.shtml

https://www.elektroniktutor.de/bauteilkunde/c_smdcod.html

Es gibt auch Expe­ri­men­tier­pla­ti­nen für SMD, man braucht im Hobby­be­reich also nicht in jedem Fall spezi­ell entwor­fene und selbst geätzte Plati­nen, doch durch ihre Klein­heit sind die Bauteile noch hitze­emp­find­li­cher als ihre großen Kolle­gen. Das bedeu­tet, man darf sie nur mit einer gere­gel­ten Lötsta­tion verar­bei­ten. (Zwar gibt es den immer wieder auftau­chen­den Tipp, einen 2 mm star­ken Kupfer­draht fest um die Spitze eines klei­nen Lötkol­bens zu wickeln und dessen abge­spreiz­tes Ende als Lötspitze für zu verwen­den, doch haben die Tipp­ge­ber ihre Rech­nung ohne den Ausdeh­nungs­ko­ef­fi­zi­en­ten des Kupfer­drah­tes gemacht. Der Draht ist nämlich weicher als die Lötspitze und so ist abzu­se­hen, wann er nicht mehr fest sitzt.)

Kleben statt Löten

Es geht jedoch auch ohne Ätzen und Löten, denn Kleb­stoff und Leit­lack erfül­len diesen Zweck ebenso sicher. Unsere Modelle sind über­wie­gend aus Plas­tik, also haben wir zum Beispiel mit der Innen­seite eines Waggonda­ches einen hervor­ra­gend isolier­ten Träger. Darauf werden (nach Anfer­ti­gung eines Bestü­ckungs­lay­outs) die Bauteile mit ein paar Trop­fen Kleb­stoff fixiert.

Achten Sie darauf, dass bei nicht ganz gera­den Flächen die Anschlüsse der Bauteile fest auf der Basis­flä­che aufsit­zen, notfalls bis zum Aushär­ten beschweren!

Mit einem feinen Pinsel wird dann der Leit­lack zwischen den zusam­men­zu­schal­ten­den Anschlüs­sen aufge­tra­gen, fertig ist die zwar nicht fach­ge­rechte, aber brauch­bare SMD-Schal­tung. Auch Leitungs­kreu­zun­gen sind möglich, indem Sie »Null-Ohm-Wider­stände« benutzen. 

Apropos Leitlack

Leit­lack ist eine spezi­elle Lack­mi­schung, der leitende Parti­kel beigemengt sind. Nach dem Durch­trock­nen vermag dieser Farb­auf­trag geringe Ströme zu trans­por­tie­ren. Leit­lack kommt immer dort zum Einsatz, wo ein Draht – und sei er noch so dünn – störend wirkt. Er kann auch außen auf sicht­bare Fläche aufge­tra­gen und nach dem Durch­trock­nen über­stri­chen werden. Wegen der gerin­gen Belast­bar­keit ist er aller­dings nur für Leucht­di­oden, Mikro­lam­pen und Elek­tronik­schal­tun­gen mit gerin­gem Strom­fluss zu gebrauchen.

Zentral oder dezentral?

Bei Anla­gen­vor­stel­lun­gen sieht man oft große Metall­käs­ten, in denen alle Steue­rungs­ele­mente zentral zusam­men­ge­fasst sind. Von dort aus führen dicke bunte Kabel­bäume zu den Verbrauchern.

Andere Modell­bah­ner arbei­ten dezen­tral und plat­zie­ren die Elek­tro- und Elek­tronik­mo­dule, die nicht zwin­gend in der Nähe der Bedien­pulte benö­tigt werden, möglichst nahe am Verbraucher.

Ich halte die dezen­trale Tech­nik für sinn­vol­ler, denn sie vermei­det unnö­tige Kabel­wege. Dabei geht es weni­ger um die mate­ri­elle Erspar­nis als um die Störungs­si­cher­heit. Je weni­ger Weg ein elek­tri­sches Signal zwischen Steue­rung und Verbrau­cher zurück­le­gen muss, desto weni­ger Störun­gen ist es ausge­setzt. Und auch bei der Fehler­su­che haben Sie es leich­ter, wenn Sie zwischen Modul und Verbrau­cher nicht noch etli­che Meter Kabel prüfen müssen.

Gehen Sie mit der Elek­tro­nik dicht an den Endver­brau­cher heran. Vom Stell­pult kommen Steu­er­be­fehle über dünne Leitun­gen, werden dort aufbe­rei­tet und lassen mit Span­nung aus der Rund­um­ver­sor­gung Arbeit verrichten.

Beson­ders bei Signal­schal­tun­gen zeigen sich die Vorteile der dezen­tra­len Lösun­gen. Dabei wird vor allem deut­lich, wie unra­tio­nell eine zentrale Steue­rung ist, wenn ein Ereig­nis vor Ort vom Fahr­be­trieb beein­flusst wird und im Gegen­zug den Fahr­be­trieb beein­flus­sen soll.

Bild_2024-09-19_011722118
Das Beispiel zeigt deut­lich, welche Redu­zie­rung des Leitungs­be­darfs pro Signal/​Vorsignal die Dezen­tra­li­sie­rung bringt.

Die Ringleitung

Damit Sie nun nicht zu viele Strom­ver­sor­gungs­lei­tun­gen legen müssen, empfiehlt es sich, Versor­gungs­span­nun­gen jedwe­der Art als Ring­lei­tun­gen um und durch die Unter­welt der ganzen Anlage zu führen. So haben Sie die benö­tig­ten Span­nun­gen immer auf kurzem Weg zur Verfügung.

Dafür müssen Sie Kabel mit großem Quer­schnitt nehmen, um unter­wegs nicht zu viel Verluste durch den Leitungs­wi­der­stand zu erfah­ren. Gut geeig­net sind die eigent­lich für Instal­la­ti­ons­zwe­cke gedach­ten NYM-Leitun­gen mit 1,5 mm². Dank ihrer Stabi­li­tät müssen sie nicht so häufig fixiert werden. An den Versor­gungs­punk­ten wird ein Stück Strei­fen­pla­tine oder Lötleiste unter die Anlage geschraubt, worauf die einzel­nen Kompo­nen­ten zugrei­fen können.

Mindest­be­darf sind folgende Ringleitungen:

  • posi­ti­ves unge­glät­te­tes Poten­tial für Magnet­an­triebe, Moto­ren etc.
  • posi­ti­ves, gere­gel­tes Poten­tial für Elek­tro­nik, gesteu­erte Beleuch­tung, Licht­si­gnale etc.
  • gemein­sa­mes nega­ti­ves Potential.

Somit müssen nur noch die Steu­er­lei­tun­gen vom Stell­pult zu den Verbrau­chern – sprich: zu deren vorge­schal­te­ten Fern­steue­run­gen oder Boos­tern führen.

Aufbe­rei­tung des Steu­er­si­gnals für höhe­ren Strom­ver­brauch: links per Relais, rechts mit zwei verschie­de­nen Baufor­men von Leistungstransistoren.

Stecken, Klemmen, Schrauben oder Löten?

Manche Modell­bah­ner vertrauen ja immer noch der Devise „Was der Zube­hör­han­del liefert, muss gut sein.“ Doch jede lose Verbin­dung ist ein Stör­fak­tor! Die berühmt-berüch­tig­ten Modell­bahn-Quer­loch­ste­cker und noch viel mehr die daraus abge­lei­te­ten Billig­va­ri­an­ten wie die Klemm­ste­cker im Bild rechts sind alles andere als störungssicher.

So eine Model­bahn­an­lage ist Erschüt­te­run­gen ausge­setzt und jede Erschüt­te­rung kann dazu beitra­gen, dass sich eine ohne­hin schon nicht ganz feste Steck­ver­bin­dung weiter lockert.

Ein weite­rer Nach­teil der Einzel­ste­cker ist auch, dass jede Umbau­ar­beit, bei der ein Kabel­baum zu lösen ist, zur Stecker­fum­me­lei ausartet.

Schraub­ver­bin­dun­gen – z. B. Lüsterklemmen(leisten) sind stabi­ler, aber eben­falls nicht gerade leicht zu bearbeiten.

Sie erleich­tern sich das Leben, wenn Sie für lösbare Verbin­dun­gen keine Einzel­ste­cker, sondern mehr­po­lige Steck­ver­bin­der benut­zen. Auch hier ist wieder ein Blick in den Compu­ter­be­reich anzu­ra­ten. Die dort verwen­de­ten Mehr­fach­ste­cker sind auch für unsere Zwecke bestens geeig­net, die zuge­hö­ri­gen Kabel des gerin­gen Quer­schnitts wegen weni­ger. Aber die Kontakt­si­cher­heit bei Compu­ter­ste­ckern ist vom Feins­ten, denn dort kommt es ja auf sehr sichere Über­tra­gung an.

Bei allen Arten der Verbin­dun­gen soll­ten Sie darauf achten, dass die Kabel nicht zu stramm sitzen. Im Gegen­teil: Es ist besser, eine kleine Kabel­schleife vorzu­se­hen, die nicht nur ther­mi­sche Span­nun­gen ausgleicht, sondern auch bei Eingrif­fen, Repa­ra­tu­ren und Umbau­ten die Arbeit erleichtert.

Löten ist die sicherste Methode, elek­tri­sche Verbin­dun­gen herzu­stel­len. Aller­dings nur dann, wenn diese Verbin­dung nur in Notfäl­len wieder getrennt werden muss. Auch für die Verbin­dung zur Rundum-Versor­gungs­lei­tung ist die beste Methode, Stütz­punkte in Form von Lötleis­ten-Stücken in der Nähe von Verbraucher-»Nestern« anzubringen.

Bild_2025-01-11_161942459

Kabelbäume

Eigent­lich sind wir Modell­bah­ner recht ordent­li­che Menschen. Auf der Anlage ist meist eine Idylle aufge­baut, das Roll­ma­te­rial steht aufge­räumt auf seinen Abstell­glei­sen und manche fahren sogar streng nach Fahr­plan (und sind dabei auch noch besser als das Vorbild). Doch wirft man einen Blick unter so manche Anlage und sieht die so genannte Verkabelung …

Abschre­cken­des Beispiel, wie man tunlichst nicht verdrah­ten sollte.
Verle­ge­tech­ni­ken

Bei den genann­ten Metho­den hängen die Kabel leider unschön durch. Im Fach­han­del gibt es Klemm­leis­ten, die mehrere straff gespannte Einzel­ka­bel aufneh­men, aber deren Fassungs­ver­mö­gen ist begrenzt. Spiral- und andere Schläu­che sind eben­falls ein gutes Ordnungs­mit­tel, aber teurer und nicht so leicht hand­hab­bar wie Klett­bän­der; es gibt auch spezi­elle Schläu­che mit Einfüllhilfen.

Im Büro­be­darfs-Fach­han­del finden Sie ein Hilfs­mit­tel, das dem Spiral­schlauch ähnlich sieht: den Ring­bin­der. Eigent­lich ist es seine Aufgabe, Broschü­ren zusam­men­zu­hal­ten, doch auch unter der Modell­bahn­an­lage macht er sich gut. Kabel lassen sich leicht heraus­zie­hen oder neu einfü­gen und an jeder belie­bi­gen Stelle sind Abzwei­gun­gen aus dem Kabel­baum möglich.

Profes­sio­nel­ler Spiral­ka­nal mit Einfüll­hilfe (links) und Substi­tut aus dem Büro­be­reich (rechts)

Der von Elek­tro­ni­kern viel gelobte Schrumpf­schlauch ist hier völlig unbrauch­bar, wenn es um das Nach­rüs­ten geht. Sein Einsatz­ge­biet sind zusam­men­ge­fasste Kabel inner­halb einer Schaltung.

Wichtig: Buchführung

Ein wich­ti­ges Ordnungs­kri­te­rium sind die Farben der Kabel. Die Plas­tik­iso­lie­run­gen gibt es in diver­sen Farben – auch mehr­far­big gerin­gelt – und als akti­ver Modell­bah­ner kann man eigent­lich gar nicht genug verschie­den­far­bige Kabel in der Bastel­kiste haben. Bewährt haben sich auch Flach­band­ka­bel, in denen mehrere Kabel unter­schied­li­cher Farbe zusam­men­ge­fasst sind, um mehrere unter­schied­li­che Verbrau­cher an einem gemein­sa­men Ort anzusteuern.

Sie soll­ten sich ein Farb­schema zule­gen, anhand dessen Sie immer deut­lich erken­nen können, welches Poten­tial welche Leitung führt. In der Elek­tro­nik werden übri­gens schwarz und braun regel­mä­ßig für Null­po­ten­tial verwen­det und rot für Plus.

Vorsicht: Beim Stark­strom ist schwarz Phase, also das gefähr­li­che Ende!

Egal für welches Mate­rial und welches Verle­ge­sys­tem Sie sich entschei­den, soll­ten Sie doch Buch führen über Ihre Verdrah­tung. Nichts ist frus­trie­ren­der, als wenn man bei der Suche nach einem auszu­tau­schen­den oder umzu­le­gen­den Kabel einen ganzen Kabel­baum ausein­an­der reißen muss, obwohl es reichen würde, an einem der Drähte ein wenig zu zupfen – wenn man nur wüsste, an welchem.

Ob fester Draht oder Litze, haben ihre Vor- und Nach­teile. Der starre Draht muss nicht so oft gestützt werden, sondern bleibt selbst in Form; dafür ist er beim Verle­gen auf klei­nem Raum manch­mal etwas stör­risch. Litze ist nun mal schlab­be­rig, aber dafür macht sie jede Rich­tungs­än­de­rung klag­los mit.

Viel wich­ti­ger ist das Metall, das darin verwen­det wird. Litze besteht fast immer aus Kupfer, Draht meist aus Kupfer oder Neusil­ber. Auch die Leitung setzt dem Strom einen Wider­stand entge­gen, wie stark er ist, hängt vom Mate­rial ab.

Am Wege: Die Kabelfrage

Von Fach­leu­ten wird häufig bean­stan­det, wenn von »Kabeln« die Rede ist, es sich aber genau­ge­nom­men um »Leitun­gen« handelt. Ja, Kabel sind im enge­ren Sinne spezi­ell ausge­stat­tete Leitun­gen, die unter­ir­disch oder unter­see­isch verlegt werden. Hier im Hobby­be­reich und auch im Haus­ge­brauch, gilt alles als Kabel, was Strom leitet und isoliert ist. Alles andere ist eine Diskus­sion um »falt­bare Längen­mess­ein­rich­tun­gen«, »Schrau­ben­dre­her« oder die Frage nach Birne, Lampe oder Leuchte.

von oben: blan­ker Draht, isolier­ter Draht, Litze, Flach­band­ka­bel, Koaxialkabel

Leitfähigkeit und spezifischer Widerstand

Welchen Wider­stand ein Stoff dem elek­tri­schen Strom entge­gen­setzt, ist abhän­gig von Mate­rial. Jeder Stoff besitzt seine eigene Leit­fä­hig­keit, gemes­sen in »Siemens pro Meter (S/​m)« und mit
dem grie­chi­schen Buch­sta­ben σ (sigma) in Formeln dargestellt.

Siemens ist eine abge­lei­tete Einheit, 1 S ist die Leit­fä­hig­keit, die bei 1 V 1 A flie­ßen lässt.
Das ist der Kehr­wert der Wider­stands­for­mel:
Wider­stand: 𝑅 = 𝑈 ÷ 𝐼
Leit­fä­hig­keit: 𝜎 = 𝐼 ÷ 𝑈

Somit ist die Leit­fä­hig­keit der Rezi­prok­wert des spezi­fi­schen Wider­stands, der zur Unter­schei­dung vom tatsäch­li­chen Wider­stand mit ρ (rho) bezeich­net wird; also 𝜌 = 1 ÷ 𝜎.

Den Zusam­men­hang von spezi­fi­schem und tatsäch­li­chem Wider­stand zeigt die Formel
𝑅 = 𝜌 · 𝑙 ÷ 𝐴, wobei 𝑙 für die Länge des Leiters steht und 𝐴 für die Querschnittsfläche.

  • Je länger ein Leiter ist, desto größer der Widerstand,
  • je größer der Quer­schnitt, desto geringer.

Auf den Wider­stand sich auswir­kende Tempe­ra­tur­un­ter­schiede können wir im Hobby­be­reich vernachlässigen.

(Dank an Bernd Schoe­ne­burg für den Korrekturhinweis)

Bild_2024-11-01_011032092

Welcher Leitungs-Querschnitt für welchen Zweck?

Es gibt bindende Fest­le­gun­gen des VDE für Kabel­quer­schnitte in Abhän­gig­keit von der benö­tig­ten Strom­stärke. Diese Vorschrif­ten gelten für den Instal­la­ti­ons­be­reich, also Span­nun­gen ober­halb unse­rer »spie­le­ri­schen« 25 V maxi­mal. Dennoch ist die Frage eines ausrei­chen­den Kabel­quer­schnitts für uns nicht unwich­tig, denn bekannt­lich geht auf dem Weg durch die Kupfer­lei­tung auch Leis­tung verloren.

Bild_2024-08-09_010812988

Für die Modell­bahn hat sich eine verein­fachte Berech­nung bewährt:

max. Strom­stärke [A] = 10 × Leitungs­quer­schnitt [mm²]

Mit dieser Faust­for­mel sind Sie bestimmt im siche­ren Bereich, sie liegt noch weit unter­halb der Ober­gren­zen des VDE. Eine NYM-Leitung mit 1,5 mm², die sich sehr gut für eine Ring­lei­tung rund um die Anlage eignet, ist laut VDE für 20 A zuge­las­sen, nach der Faust­for­mel kommen wir auf 15 A. Ein handels­üb­li­ches Modell­bau­ka­bel hat einen Quer­schnitt von 0,14 mm², kann also beden­ken­los mit einem Strom von 1,4 A belas­tet werden. Compu­ter-Flach­band­ka­bel dage­gen sind nur für anspruchs­lose Verbrau­cher zu verwen­den, denn ihr Quer­schnitt beträgt nur 0,05 mm², das reicht für einen Magnet­an­trieb schon nicht mehr.

Bild_2024-11-01_011107724

Sichern, bevor es Schäden gibt

Diesen Geruch mögen wir Modell­bah­ner gar nicht: verschmorte Isolie­rung. Das bedeu­tet immer, dass ein Bauteil oder eine Leitung zu hoch belas­tet wurde und nun dabei ist, zum Altme­tall zu mutie­ren. Um dies auszu­schlie­ßen, sind viele elek­tri­sche und elek­tro­ni­sche Kompo­nen­ten mit elek­tri­schen Siche­run­gen (zu) versehen.

Not-Aus

Ganz wich­tig: Es gibt immer wieder mal Situa­tio­nen, da wünscht man sich, mit einem Schlag die komplette Strom­ver­sor­gung der Modell­bahn­an­lage abschal­ten zu können, um schlimme Folgen zu verhü­ten. Diese Folgen werden zwar selten so krass ausfal­len, wie sie an Arbeits­ma­schi­nen etc. möglich sind, doch die dort übli­chen dicken, auffäl­li­gen Not-Aus-Schal­ter sind auch für unsere Zwecke gut, weil auch ein „Betriebs­frem­der“ sie sofort als solche identifiziert.

Diese Schal­ter haben nur einen Nach­teil: Sie werden direkt ans 230V-Netz ange­schlos­sen, weshalb Sie sicher­heits­hal­ber eine Elek­tro-Fach­kraft bitten soll­ten, diesen Schal­ter zu instal­lie­ren. Gewiss, das kostet mehr, als wenn man es selbst machte, doch es wäre schon pein­lich, wenn ein Unfall ausge­rech­net von einem falsch instal­lier­ten Notschal­ter verur­sacht würde.

Sicherungen

Siche­run­gen kennen wir auch aus dem Haus­halt und dem Auto; in den Siche­rungs­käs­ten finden sie sich, um im Ernst­fall den Strom­fluss zu unter­bre­chen und damit Schä­den vorzubeugen.

Die einfachste Form ist die Schmelz­si­che­rung, beim Haus­an­schluss ein Kera­mik­kör­per, in Gerä­ten eine kleine Glas­röhre, in der ein Metall­fa­den einge­schlos­sen ist. Durch diesen genau in seinen physi­ka­li­schen Werten bestimm­ten Metall­fa­den läuft der gesamte Strom dieses Krei­ses. Dabei wird der Draht warm, denn auch er ist ein Verbrau­cher. Da er jedoch in Reihe mit allen ande­ren Verbrau­chern seines Strom­krei­ses liegt, bestimmt nicht er allein den Gesamt­wi­der­stand, sondern die maßgeb­li­che Größe ist die Summe der Ströme, die durch die ande­ren Verbrau­cher fließt. Über­steigt sie einen bestimm­ten Wert, wird der Siche­rungs­draht zu heiß und er brennt durch. Damit ist der komplette Strom­kreis span­nungs­los – Gefahr gebannt.

Außer den elek­tri­schen Werten finden Sie auf Siche­run­gen noch Kenn­buch­sta­ben, die auf die Ansprech­zeit hinwei­sen. Manch­mal kann es nämlich sein, dass eine abge­si­cherte Schal­tung durch­aus eine kurz­fris­tige Über­schrei­tung des zuläs­si­gen Stro­mes verkraf­tet. Es wäre wenig sinn­voll, müsste dann jedes Mal die Siche­rung erneu­ert werden. Deshalb gibt es fünf Klas­sen der Sicherungs-Charakteristik.

Die höchste Strom­be­las­tung einer Siche­rung steht auf den Metall­kap­pen, die zugleich Anschlüsse sind und in spezi­elle Halte­run­gen passen.

Siche­run­gen verhin­dern, dass durch zu star­ken Strom­fluss Kabel zu warm werden oder Geräte wegen zu hohen Dauer­strom­flus­ses durchbrennen.

Der typi­sche oder maxi­male Verbrauch ergibt sich aus den elek­tri­schen Kenn­wer­ten eines Verbrau­chers: Betriebs­span­nung, Leis­tung, Strom­stärke, Innen­wi­der­stand. Mit zwei bekann­ten Werten lassen sich die beiden unbe­kann­ten jeder­zeit errech­nen. Meist sind die Betriebs­span­nung und die Leis­tungs­auf­nahme bekannt, der Innen­wi­der­stand kann mit dem Multi­me­ter gemes­sen werden; so lässt sich die abzu­si­chernde Strom­stärke nach dem Ohmschen Gesetz leicht ermitteln.

Sicherungshalter

Zwei Vari­an­ten der Siche­rungs­hal­ter für unsere Zwecke gibt es, die Plati­nen- und die Gehäu­se­ver­sion. Bei der Plati­nen­fas­sung sind zwei Feder­klam­mern auf der Schal­tungs­pla­tine des Gerä­tes befes­tigt, in die die Siche­rung einge­klipst wird. Um hier eine durch­ge­brannte Siche­rung auszu­wech­seln, muss das Gehäuse geöff­net werden. Sofern damit zu rech­nen ist, dass Siche­run­gen des Öfte­ren ausge­tauscht werden müssen, werden ins Gehäuse von außen zugäng­li­che Siche­rungs­hal­ter einge­baut, die die Siche­rung mit einem Schraub­de­ckel in ihre Anschlüsse drücken.

Plati­nen­fas­sung und Gehä­se­fas­sung, unten rechts das Symbol für Sicherung

Bimetall-Sicherungen

Da auf der Modell­bahn­an­lage bei Montage- und Wartungs­ar­bei­ten, aber auch durch Entglei­sun­gen häufi­ger Kurz­schlüsse vorkom­men, wäre eine Schmelz­si­che­rung die weni­ger geeig­nete Siche­rung für Modell­bahn-Trafos. Aber es gibt noch andere Siche­rungs­for­men. Der Wärme­ef­fekt des Strom­flus­ses lässt sich für Schutz­vor­rich­tun­gen nutzen.

Sobald einem Bime­tall, also einer festen Verbin­dung zweier Metall­strei­fen mit unter­schied­li­chen Ausdeh­nungs­ko­ef­fi­zi­en­ten, Wärme zuge­führt wird, dehnen sich beide Metalle aus, das eine aber stär­ker als das andere, so dass sich das Bime­tall verbiegt.

Diese Wärme­zu­fuhr kann auf zwei­er­lei Weise erfol­gen: Entwe­der wird der Strom selbst durch das Bime­tall geschickt und sorgt unmit­tel­bar für dessen Erwär­mung oder das Bime­tall wird mit isolier­tem Wider­stands­draht umwi­ckelt und von diesem aufge­heizt. Die wärme­ab­hän­gige Biegung lässt sich nun in einen Schalt­vor­gang verwan­deln, wenn das Bime­tall Bestand­teil eines Strom­krei­ses ist, der durch die Verbie­gung aufge­trennt wird. In diesem Strom­kreis fließt also Strom nur so lange, als ein bestimm­ter Wert der Strom­stärke nicht über­schrit­ten wird, denn zu starke Erwär­mung öffnet den Bime­tall­schal­ter. Bevor der Trafo über­las­tet wird, schal­tet der Bime­tall­schal­ter ab und man muss warten, bis er sich wieder abge­kühlt hat und den Trafo wieder einschal­tet. Bei manchen Gerä­ten schal­tet der sich zurück­bie­gende Kontakt nicht von selbst wieder ein, sondern es ist ein Entsi­che­rungs­knopf am Gehäuse zu drücken.

Alles einzeln absichern?

Am sichers­ten ist es, jeden Sub-Strom­kreis für sich abzu­si­chern, denn wenn an einer Zulei­tung ein Magnet­an­trieb und ein Licht­si­gnal hängen, sind deren Strom­stär­ken sehr unter­schied­lich. Man kann aber auch über­trei­ben. Sinn­voll sind sepa­rat abge­si­cherte Strom­kreise immer dort, wo von einem sehr hoch belast­ba­ren Anschluss dünne Leitun­gen abzwei­gen, die bei Fehlern schon mal warm werden können, ohne dass die „Haupt­si­che­rung“ etwas davon bemerkt.

Fehler rasch finden

Dezen­trale Siche­run­gen sind meist versteckt unter der Anlage ange­bracht, wo die Sicht nicht unbe­dingt gut ist. Eine simple, billige Ergän­zung der Siche­run­gen hilft beim Auffin­den einer durch­ge­brann­ten Sicherung.

Löten Sie paral­lel zur Siche­rung eine Leucht­di­ode und deren Vorwi­der­stand ein. Solange die Siche­rung intakt ist, nimmt der Strom den Weg des gerings­ten Wider­stands, und die LED bleibt dunkel. Brennt der Siche­rungs­fa­den jedoch durch, quält sich der Strom durch Wider­stand und LED; die LED leuch­tet auf, aber der Strom ist zu schwach, um dahin­ter noch Scha­den anzurichten.

Ein Vorwi­der­stand von 1 kΩ als Einheits­größe erfüllt die an ihn gestellte Aufgabe bei allen modell­bahn­üb­li­chen Betriebsspannungen.

Liegt Wech­sel­span­nung an, muss zusätz­lich zu LED und Vorwi­der­stand noch eine Sperr­di­ode in Reihe geschal­tet werden.